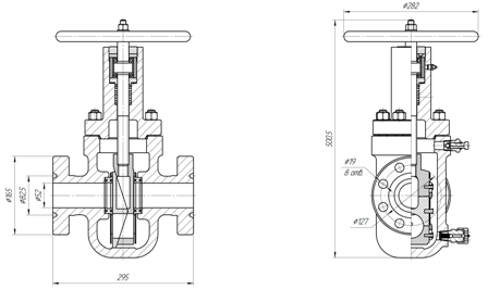
Задвижка шиберная (ЗМС) 50x14 в Петропавловске
Задвижка шиберная (ЗMC) 50x14

Назначение для установки на фонтанной и нагнетательной арматуре
для герметизации устья фонтанных и газлифтных скважин,
а также на технологических линиях.
|
Наименование |
Значение |
|
Проход условный, DN, мм |
50 |
|
Давление рабочее, РN, МПа |
14 |
|
Температура рабочей среды, °С |
до + 220 |
|
Климатическое исполнение по ГОСТ 15150-69 |
ХЛ, УХЛ |
|
Температура окружающей среды, °С |
от -60 до +40 |
|
Рабочая среда |
Пар, продукция нефтяных и газовых скважин с содержанием механических примесей до 0,5% по объёму, суммарным содержанием СО2 и Н2S до 0,003% и до 50% пластовой воды с температурой от минус 5 до +120°С. |
|
Тип соединения в арматуре |
Фланцевое по ГОСТ 28919-91 |
|
Масса, кг, не более |
50 |